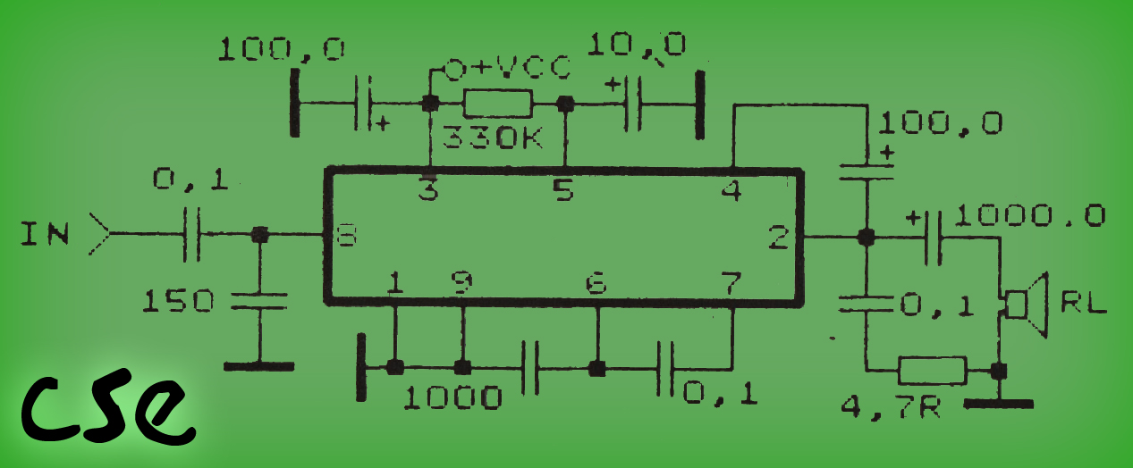
This circuit is mono amplifier use IC TDA1010A .Minimum voltage require 4V and maximum voltage 24V. To avoid damaged IC please use supply voltage 12 volt and must be filtering voltage. Power output 20 W with impedance 4 Ohm. IC equation with : TDA1011, TDA1011A , TDA1015 , and TDA1020.
See circuit schematic and troubleshooting amplifier :
If circuit circuit above not working , errors may occur in :
- Supply Voltage.
- Damaged Component , such as : IC , resistor or capcitor.
- Input output cable not connected.
- Damaged speaker.
- Short-circuit input with ground.
- Tuner
- Pream Head / Tape
- Mic
- CD or DVD player
- PC
- MP4 player
- etc.

0 Response to "20 Watt Schematics power amplifier"
Post a Comment