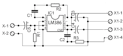
IC LM386 is working for the amplifier audio circuit with a low power output , range from 0.325 watts to 2 watts with impedance 8 ohm. In this circuit requires voltage of 12 volts to the maximum work, and maximum current 3 Amp.Components List :R1=33K / 0,25WR2=1K / 0,25WR3=10R / 1WC1=100nC2=0,1uF/35VC3=100uF/16VC4=220uF/35VC5=4,7uF/16VIC1=LM386Connector Instruction:X-1 = Input , connect to outputX-2 = Input GroundX1-1= V+ , 12 Volt DCX1-2= V-/ GroundX1-3= Speaker+X1-4= Speaker-
Saturday, February 26, 2011
Intregated Circuit Amplifier

0 Response to "Power amplifier circuit with IC LM386"
Post a Comment